产品展示
当前位置:首页>产品展示
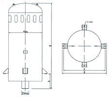
MMK扩散/吸收式消声器
MMK扩散/吸收式消声器
MMK 扩散 /吸收式消声器由扩散器和吸声体组成,主要用在蒸汽排放到大气的场合(安全阀或锅炉启动期间的排放),以减小它们在室外产生噪声对周边居明的影响。
|
|
| 消声器型号 | 适用锅炉参数 | 消声器规格及特性 | |||||||
|
排量 t/h |
排汽压 MPa |
温度 ℃ |
排汽管径 mm |
高度 H mm |
高度 H mm |
直径 Dn mm |
宽度 Amm |
宽度 Amm |
|
| MMK-15/3.82-450 | 15 | 3.82 | 450 | 133×6 | 1990 | 550 | 610 | 900 | 1000 |
| MMK-20/3.82-450 | 20 | 3.82 | 450 | 159×6 | 2100 | 550 | 812 | 1050 | 1150 |
| MMK-30/5.3-485 | 30 | 5.3 | 485 | 219×6 | 2167 | 550 | 812 | 1050 | 1150 |
| MMK-45/5.3-485 | 45 | 5.3 | 485 | 219×6 | 2456 | 550 | 1012 | 1050 | 1150 |
| MMK-63/9.81-540 | 63 | 9.81 | 540 | 245×8 | 2932 | 600 | 1112 | 1400 | 1520 |
| MMK-80/10.29-540 | 80 | 10.29 | 540 | 273×8 | 3250 | 650 | 1212 | 1500 | 1620 |
| MMK-100/10.29-540 | 100 | 10.29 | 540 | 273×10 | 3475 | 650 | 1312 | 1600 | 1740 |
| MMK-130/13.73-545 | 130 | 13.73 | 545 | 325×10 | 3612 | 650 | 1312 | 1600 | 1740 |
| MMK-160/18.1-555 | 160 | 18.1 | 555 | 325×10 | 3650 | 650 | 1412 | 1700 | 1840 |

