PRODUCT
Location: Home>PRODUCT
MMK diffusion / absorption muffler
MMK diffusion / absorption muffler
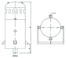
MMK diffusion / absorption muffler is composed of diffuser and sound absorber. It is mainly used when steam is discharged to the atmosphere (emission during safety valve or boiler startup) to reduce the impact of their outdoor noise on the surrounding residents.
|
|
| Muffler model | Applicable boiler parameters | Specifications and characteristics of muffler | |||||||
|
Displacement t/h |
Exhaust steam pressure MPa |
Temperature ℃ |
Exhaust pipe diameter mm |
Height H mm |
Height H mm |
Diameter Dn mm |
Width Amm |
Width Amm |
|
| MMK-15/3.82-450 | 15 | 3.82 | 450 | 133×6 | 1990 | 550 | 610 | 900 | 1000 |
| MMK-20/3.82-450 | 20 | 3.82 | 450 | 159×6 | 2100 | 550 | 812 | 1050 | 1150 |
| MMK-30/5.3-485 | 30 | 5.3 | 485 | 219×6 | 2167 | 550 | 812 | 1050 | 1150 |
| MMK-45/5.3-485 | 45 | 5.3 | 485 | 219×6 | 2456 | 550 | 1012 | 1050 | 1150 |
| MMK-63/9.81-540 | 63 | 9.81 | 540 | 245×8 | 2932 | 600 | 1112 | 1400 | 1520 |
| MMK-80/10.29-540 | 80 | 10.29 | 540 | 273×8 | 3250 | 650 | 1212 | 1500 | 1620 |
| MMK-100/10.29-540 | 100 | 10.29 | 540 | 273×10 | 3475 | 650 | 1312 | 1600 | 1740 |
| MMK-130/13.73-545 | 130 | 13.73 | 545 | 325×10 | 3612 | 650 | 1312 | 1600 | 1740 |
| MMK-160/18.1-555 | 160 | 18.1 | 555 | 325×10 | 3650 | 650 | 1412 | 1700 | 1840 |
